熱電偶接線盒(XG-001)
電線管與接線盒連接,線管里面的電線在接線盒中連起來,起到保護電線和連接電線的作用。熱電偶和熱電阻接線盒是用來固定接線座和作為連接器的裝置,它起著保護感溫元件免受外界氣氛侵蝕和使外接導線與接線柱接觸良
- 電 話:0550-7623999 7623888
- 傳 真:0550-7623199轉0
- 郵 箱:xinguo@xinguo.net
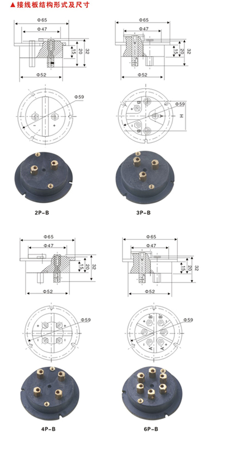
產品描述
熱電偶接線盒:
電線管與接線盒連接,線管里面的電線在接線盒中連起來,起到保護電線和連接電線的作用。熱電偶和熱電阻接線盒是用來固定接線座和作為連接器的裝置,它起著保護感溫元件免受外界氣氛侵蝕和使外接導線與接線柱接觸良好的作用,根據被測量溫度對象和現場環境條件及要求,除了普通型接線盒外,還有防濺型、防水型、防爆型、接插型、不銹鋼、塑料和一體化溫度變送器等接線盒。我們如果將各種類型的接線盒裝配成熱電偶和熱電阻產品,則這些產品相應即為防濺型、防水型和接插型等熱電偶和熱電阻了。
熱電偶的接線盒是用來連接熱電極和測量儀表的。為了防 止灰塵及有害氣體進入保護管內,在接線盒的出線口和蓋子端面上都是用墊片進行密封。熱電偶接線盒主要零件有:蓋子、螺釘、墊圈、接線盒、銘牌、墊片、空心螺栓等。
⑴塑料接線盒:適用于有強腐蝕的場所。
⑵不銹鋼接線盒:適用于防腐蝕或易燃易爆場。
⑶防水型接線盒:適用于潮濕或露天的場所。
⑷防爆型接線盒:適用于潮濕或露天的場所。
⑸一體化溫度變送器專用接線盒:適用于帶有溫度變送器的熱電偶一體化溫度變送器。



瀏覽:
上一篇:熱電偶接線盒(XG-002)
下一篇:無





